气动滑环的传动介质可以是水、油等液体介质,也称为液压滑环。气动滑环传输的液体包含压缩空气、一氧化碳、水蒸气和其他物质。
气动滑环和电滑环的工作原理是一样的,都是360度旋转导电或传输各种信号。一般来说,它可以进行旋转循环或旋转通讯,它主要安装在设备的旋转中心,设备主要由旋转和静止两部分组成。在连接设备的过程中,会随着这个旋转的结构进行旋转运动,所以也被叫做是传子弹,如果连接了静止部件,它也叫定子。
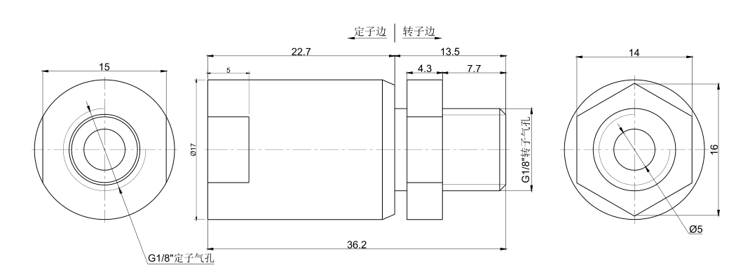
1路气动滑环的结构
MK11A系列是单通道气动滑环,有1个入口和1个出口、可压缩空气、真空等,带着G1/8"牙;结构紧凑,重量轻,耐腐蚀,采用不锈钢轴和铝壳。
.png)
1路气动滑环的安装测试
