快餐qq联系方式免费同城空降服务,2025上海水磨桑拿会所,全国同城空降服务 ,深圳品茶工作室预约个人接单上门服务

变位机的革命,导电滑环充当主角!

发布日期:2018-05-12

       变位机是专用焊接辅助设备,通过改变焊件、焊机及焊接工人的操作位置,达到和保持焊接位置的最佳状态,适用于回转工作的焊接变位,有利于实现机械化和自动化生产。

       默孚龙导电滑环与变位机的配合,可以让操作机、焊机连动,组成自动焊接中心,解决了绕线问题,实现联动操作和360度旋转;也可用于手工作业时的工件变位,工作台回转采用变频器无级调速,调速精度高。

默孚龙导电滑环的特点:

  1. 触点更好。碳刷的触点是碳石墨,而精密型导电滑环的触点是贵金属触点(银对银触点);
  2. 传输信号能力更强;
  3. 防护性能更好。传统的碳刷是裸露式的,而精密型的导电滑环是密封的,而且防护等级可以根据客户的要求定制;
  4. 更易于安装。传统的碳刷因为是分体式的,所以安装极为不便。而精密型导电滑环是一体的,客户只需两边接线连接并固体环体即可使用,安装方便。
  5. 体积小,占空间小。传统的碳刷体积非常庞大,有些客户如果空间有限根本无法放下。而精密型导电滑环体积比碳刷小很多,便于安装使用且更为美观;
  6. 寿命长,导电滑环维护是免维护的,因为产品的整个使用过程是无须维护的,使用寿命长,以亿转为单位,亿转免维护。

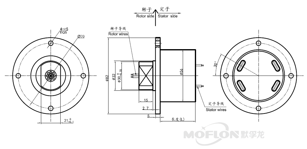
导电滑环参数图纸:

       默孚龙科技从事滑环行业以来,一直以高品质的产品带动着行业的发展,加上有高精尖进口设备和高科技工艺做保证,我们的产品性能及各项指标始终位于世界同类产品的前列。

Tag:变位器滑环,导电滑环,滑环


部分滑环参考型号:

MK系列气/气电旋转接头转动视频
微型帽式滑环|超微型导电环|无人机专用滑环|稳拍器专用滑环
防水滑环|水下导电滑环|防雨滑环|防尘引电器-mfs系列
转子法兰安装型过孔滑环视频
MZ系列滑环转动视频
MG系列滑环旋转视频
气滑环|气动旋转接头工作视频
过孔式转子法兰滑环安装方式
盘式滑环安装方式
pcb滑环安装方式

其他文档:
上一篇:为什么滑环的结构会符合高速离心机
下一篇:全国首例大孔径千兆网LED旋转广告屏专用滑环研发成功!

其他相关文档:
为什么滑环的结构会符合高速离心机
旋转接头如何带动烘干机运转
滑环与转台的结合,代替传统生产行业
导电滑环在水刀切割机中的正确使用姿势
工业自动化的崛起,焊接机器人专用滑环
测井设备的支柱—导电滑环
污滑环在污水处理设备中不可忽视的地位
旋转接头在旋转木马中很多人不知道作用
滑环给旋转门带来历史性的改变
航拍神器的突破,帽式滑环功不可没!