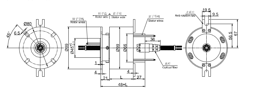
光纤/光电滑环是目前工业滑环里面技术难度最高的的一个系列产品,主要应用于360度连续旋转且需要保证电源,光纤信号不能中断的场合:如高端机器人、高端物料输送系统、军用车辆上的转动炮塔、远程控制系统、雷达天线、光纤传感等转台(速率台)的高速视频、数字、模拟信号的传输和控制、医疗系统、视频监视系统、保障国家或国际安全系统海底作业系统、紧急照明设备、机器人、展览/显示设备、医疗设备等;


| 技术规格参数 | ||
| 指标名称 | 类型 | |
| 单模(SM) | 多模(MM) | |
| 带宽(nm) | ±50 | |
| 最大插入损耗,23℃(dB) | 4 | 3.5 |
| 插入损耗波动(dB) | 2 | 1 |
| 回波损耗(dB) | ≥50(APC) | ≥40(PC) |
| 最大输入功率(W) | 0.5 | |
| 重量(g) | 200 | |
| 最高转速(rpm) | 250 | |
| 预估寿命 | >2亿转 | |
| 工作温度(℃) | -45~85 | |
| 贮存温度(℃) | -50~85 | |
| 机械技术指标 | 电气技术指标 | |||
| 参数 | 数值 | 参数 | 数值 | |
| 工作寿命 | 2000万转 | 功率 | 信号 | |
| 额定转速 | 250RPM | 额定电压 | 0~440VAC/VDC | 0~440VAC/VDC |
| 工作温度 | -30℃~80℃ | 绝缘电阻 | ≥1000MΩ/500VDC | ≥1000MΩ/500VDC |
| 工作湿度 | 0~85% RH | 导线规格 | AWG16#镀锡铁氟龙 | AWG22#镀锡铁氟龙 |
| 接触材料 | 金-金 | 导线长度 | 标准长度300mm(可据要求调整) | |
| 壳体材料 | 铝合金 | 绝缘强度 | 500VAC@50Hz,60s | |
| 转动扭矩 | 0.1N.m;+0.03N.m/6路 | 动态电阻变化值 | <0.01Ω | |
| 防护等级 | IP51 | |||








经过多年的经验积累,默孚龙拥有20万多个产品3D图档数据库,
由于互联网的开放性和同行竞争,需要产品3D图档的客户请留下电子邮箱或者QQ。
审核完联系方式后,我们的系统将在5分钟内把3D自动发动到您的电子邮箱!