´Ë¿îÆø¶¯Ðýת½ÓÍ·ÊÇÒ»¿îŤÁ¦Ð¡£¬ÐԼ۱ȳ¬¸ßµÄÐýת½ÓÍ·£¨Ò²½ÐÆø»¬»·»òÕ߯øµç£©£¬ ËÙ¶È×î´ó¿É´ï600RPM, ¿Éµ¥¶À´«ÊäѹËõ¿ÕÆø£¬Õæ¿Õ¸ºÑ¹µÄͬʱ£¬Ò²Í¬Ê±Äܹ»´«ÊäµçÔ´Ðźţ¬Ö÷ÒªÓ¦ÓÃÓÚ360¶ÈÁ¬ÐøÐýתÇÒÐèÒª±£Ö¤ÆøÑ¹£¬Õæ¿Õ£¬µçÔ´£¬ÐźŲ»ÄÜÖжϵij¡ºÏ£ºÈç¸÷ÖÖ×Ô¶¯»¯·Ç±êÉ豸£¬ï®µç³ØÉ豸£¬ÊÖ»ú²âÊÔÉ豸£¬ÊÖ»ú¸ß¶Ë×°±¸É豸£¬¸÷ÖÖ¼¤¹âÉ豸£¬Í¿²¼»ú ¡¢Í¿¸²¸ôĤÉ豸 ¡¢Èí°üµç³ØÓðüװĤÉ豸£¬°î¶¨É豸 ¡¢ÌùºÏÉ豸£¬µç×Ó°ëµ¼Ì幤ҵ×Ô¶¯»¯É豸£»¹âµçƽ°åÏÔʾ£¨LCD/LCM/TP/OLED/PDP£©¹¤Òµ×Ô¶¯»¯É豸¡¢¼ì²âÉ豸¡¢ÆäËû×Ô¶¯»¯·Ç±êרҵÉ豸µÈµÈ¡£
| ¼¼Êõ¹æ¸ñ²ÎÊý | ||||
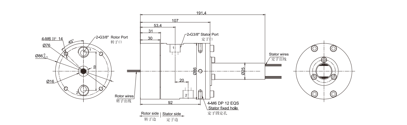
| Ðýת½ÓÍ·²¿·Ö¼¼ÊõÖ¸±ê | »úе¼¼ÊõÖ¸±ê | |||
| ²ÎÊý | ÊýÖµ | ²ÎÊý | ÊýÖµ | |
| ͨµÀÊý | 2½ø2³ö, G3/8" | ¹¤×÷ÊÙÃü | 1000ÍòתÒÔÉÏ | |
| ×î´óѹÁ¦ | 1MPa (¿É¶¨ÖƸßѹ)£¬Õæ¿Õ 0.01torr | ¶î¶¨×ªËÙ | 500RPM | |
| Ť¾Ø | Óë½Ó¿Ú³ß´çÏà¹Ø£¬Ïê¼ûÑ¡Ðͱí | ¹¤×÷ÎÂ¶È | -30¡æ~80¡æ | |
| µçÆø¼¼ÊõÖ¸±ê | ¹¤×÷ʪ¶È | 0~85% RH | ||
| ²ÎÊý | ÊýÖµ | ½Ó´¥²ÄÁÏ | ¹ó½ðÊô | |
| ¹¦ÂÊ | ÐźŠ| ¿ÇÌå²ÄÁÏ | ÂÁºÏ½ð | |
| ¶î¶¨µçѹ | 0~440VAC/VDC | 0~440VAC/VDC | ·À»¤µÈ¼¶ | IP51 |
| ¾øÔµµç×è | ¡Ý1000M¦¸/500VDC | ¡Ý1000M¦¸/500VDC | ||
| µ¼Ïß¹æ¸ñ | AWG16#¶ÆÎýÌú·úÁú | AWG22#¶ÆÎýÌú·úÁú | ||
| µ¼Ïß³¤¶È | ±ê×¼³¤¶È300mm£¨¿É¾ÝÒªÇóµ÷Õû£© | |||
| ¾øÔµÇ¿¶È | 500VAC@50Hz£¬60s | |||
| ¶¯Ì¬µç×è±ä»¯Öµ | <0.01¦¸ | |||



¾¹ý¶àÄêµÄ¾Ñé»ýÀÛ£¬Ä¬æÚÁúÓµÓÐ20Íò¶à¸ö²úÆ·3DͼµµÊý¾Ý¿â£¬
ÓÉÓÚ»¥ÁªÍøµÄ¿ª·ÅÐÔºÍͬÐоºÕù£¬ÐèÒª²úÆ·3DͼµµµÄ¿Í»§ÇëÁôϵç×ÓÓÊÏä»òÕßQQ¡£
ÉóºËÍêÁªÏµ·½Ê½ºó£¬ÎÒÃǵÄϵͳ½«ÔÚ5·ÖÖÓÄÚ°Ñ3D×Ô¶¯·¢¶¯µ½ÄúµÄµç×ÓÓÊÏ䣡