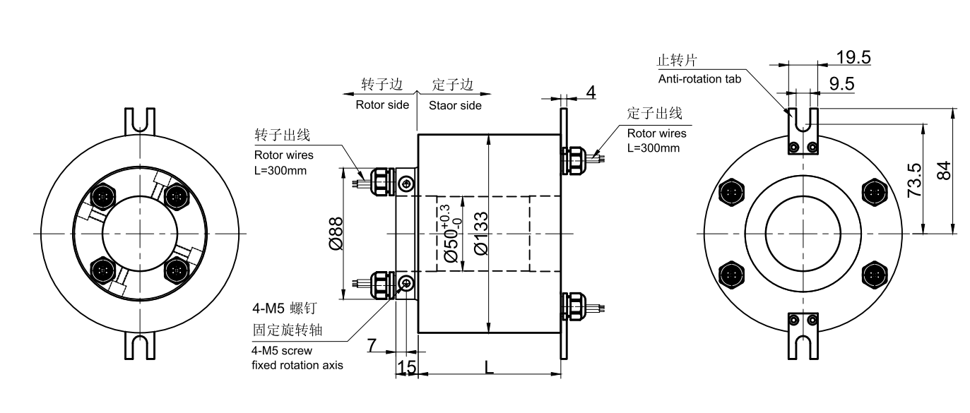
NT050ϵÁÐÊÇÒ»¿îͨ¿×Ö±¾¶Îª50mmÕûÌåʽ¾«Ãܵ¼µç·ÀË®»¬»·£¬Ö÷ÒªÓ¦ÓÃÓÚ360¶ÈÁ¬ÐøÐýתÇÒÐèÒª±£Ö¤µçÔ´£¬ÐźŲ»ÄÜÖжϵij¡ºÏ£º¶àÓÃÓÚÈÆÏß»ú¡¢¼¤¹âɨÃèÒÇ¡¢¹ÜÄÚÉãÓ°»ú¡¢Õ¹ÀÀ/ÏÔʾÉ豸¡¢Ê۲ͻú»¬»·¡¢ccdÊÓ¾õ¼ì²âÉ豸¡¢ ÖÇÄÜÊÓ¾õϵͳ¡¢×Ô¶¯»¯×é×°»ú¡¢ÐýתLEDµÆ¡¢Ìù±ê»ú¡¢ÊµÑéÉ豸¡¢ÉúÎï¼ì²âÒÇÆ÷µÈÈÎÒâÐèÒª360¡ãÐýתµ¼µç»ò´«Êä¸÷ÖÖ¿ØÖÆÐźŵÄ×°Öá£

| ¼¼Êõ²ÎÊý | ||||
| »úе¼¼ÊõÖ¸±ê | µçÆø¼¼ÊõÖ¸±ê | |||
| ²ÎÊý | ÊýÖµ | ²ÎÊý | ÊýÖµ | |
| ¶î¶¨×ªËÙ | 100RPM | ¹¦ÂÊ | ÐźŠ| |
| ¹¤×÷ÎÂ¶È | -30¡ãC~80¡ãC / -45¡ãC-80¡ãC£¨¾ü¹¤¿ÉÑ¡£© | ¶î¶¨µçѹ | 0~690VAC/VDC | 0~440VAC/VDC |
| ¹¤×÷ʪ¶È | 0~85% RH / 0-97% RH£¨¾ü¹¤¿ÉÑ¡£© | ¾øÔµµç×è | ¡Ý1000M¦¸/1000VDC | ¡Ý1000M¦¸/500VDC |
| ¿ÇÌå²ÄÁÏ | ÂÁºÏ½ð/ÂÁºÏ½ð+²»Ðâ¸Ö | µ¼Ïß¹æ¸ñ | 1mm2ÏßÀ | 0.2mm2ÏßÀ |
| ·À»¤µÈ¼¶ | IP66/IP68 | µ¼Ïß³¤¶È | ±ê×¼³¤¶È300mm£¨¿É¾ÝÒªÇóµ÷Õû£© | |
| ¾øÔµÇ¿¶È | 1000VAC@50Hz£¬60s | |||
| ¶¯Ì¬µç×è±ä»¯Öµ | <0.01¦¸ | |||
¾¹ý¶àÄêµÄ¾Ñé»ýÀÛ£¬Ä¬æÚÁúÓµÓÐ20Íò¶à¸ö²úÆ·3DͼµµÊý¾Ý¿â£¬
ÓÉÓÚ»¥ÁªÍøµÄ¿ª·ÅÐÔºÍͬÐоºÕù£¬ÐèÒª²úÆ·3DͼµµµÄ¿Í»§ÇëÁôϵç×ÓÓÊÏä»òÕßQQ¡£
ÉóºËÍêÁªÏµ·½Ê½ºó£¬ÎÒÃǵÄϵͳ½«ÔÚ5·ÖÖÓÄÚ°Ñ3D×Ô¶¯·¢¶¯µ½ÄúµÄµç×ÓÓÊÏ䣡