¹¤Òµ»úÆ÷¼Ó¹¤ÖÐÐÄ¡¢Ðýת¹¤×÷̨¡¢ÖØÐÍÉ豸Ëþ̨¡¢µçÀ¾íÅÌ¡¢°ü×°É豸¡¢´ÅÐÔÀëºÏÆ÷¡¢¹¤ÒÕ¿ØÖÆÉ豸¡¢Ðýת´«¸ÐÆ÷¡¢½ô¼±ÕÕÃ÷É豸¡¢»úÆ÷ÈË¡¢Õ¹ÀÀ/ÏÔʾÉ豸¡¢Ò½ÁÆÉ豸¡¢ÐýתÃŵȣ»

| ¼¼Êõ¹æ¸ñ²ÎÊý | ||||
| »úе¼¼ÊõÖ¸±ê | µçÆø¼¼ÊõÖ¸±ê | |||
| ²ÎÊý | ÊýÖµ | ²ÎÊý | ÊýÖµ | |
| ¹¤×÷ÊÙÃü | ²Î¿¼²úÆ·Ñ¡Ð͵ȼ¶ | ¹¦ÂÊ | ÐźŠ| |
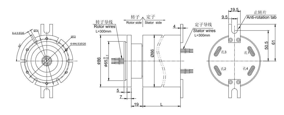
| ¶î¶¨×ªËÙ | 100RPM | ¶î¶¨µçѹ | 0~400VAC/VDC | 0~440VAC/VDC |
| ¹¤×÷ÎÂ¶È | -30¡ãC~80¡ãC/-45¡ãC~80¡ãC | ¾øÔµµç×è | ¡Ý1000M¦¸/500VDC | ¡Ý1000M¦¸/500VDC |
| ¹¤×÷ʪ¶È | 0~85%RH/0~97%RH | µ¼Ïß¹æ¸ñ | 1mm2ÏßÀ | 1mm2ÏßÀ |
| ½Ó´¥²ÄÁÏ | ²Î¿¼²úÆ·Ñ¡Ð͵ȼ¶ | µ¼Ïß³¤¶È | ±ê×¼³¤¶È300mm£¨¿É¾ÝÒªÇóµ÷Õû£© | |
| ¿ÇÌå²ÄÁÏ | ÂÁºÏ½ð/¹¤³ÌËÜÁÏ | ¾øÔµÇ¿¶È | 500VAC@50Hz£¬60s | |
| ת¶¯Å¤¾Ø | 0.1N.m£»+0.03N.m/6· | ¶¯Ì¬µç×è±ä»¯Öµ | <0.01¦¸ | |
| ·À»¤µÈ¼¶ | IP66/IP68 | |||
¾¹ý¶àÄêµÄ¾Ñé»ýÀÛ£¬Ä¬æÚÁúÓµÓÐ20Íò¶à¸ö²úÆ·3DͼµµÊý¾Ý¿â£¬
ÓÉÓÚ»¥ÁªÍøµÄ¿ª·ÅÐÔºÍͬÐоºÕù£¬ÐèÒª²úÆ·3DͼµµµÄ¿Í»§ÇëÁôϵç×ÓÓÊÏä»òÕßQQ¡£
ÉóºËÍêÁªÏµ·½Ê½ºó£¬ÎÒÃǵÄϵͳ½«ÔÚ5·ÖÖÓÄÚ°Ñ3D×Ô¶¯·¢¶¯µ½ÄúµÄµç×ÓÓÊÏ䣡