防护等级:IP68,中空防水滑环
默孚龙MFS系列防水滑环,防水等级达到IP68,可用于海底300米范围内各种信号的360度旋转传导和传输。外壳由不锈钢制成,耐腐蚀、耐酸碱,能在各种恶劣环境下稳定工作。专用于特种船舶、油井、潜水器等设备中导电或传输视频和各种控制信号。

防水等级为IP68,可在水下300米稳定工作;
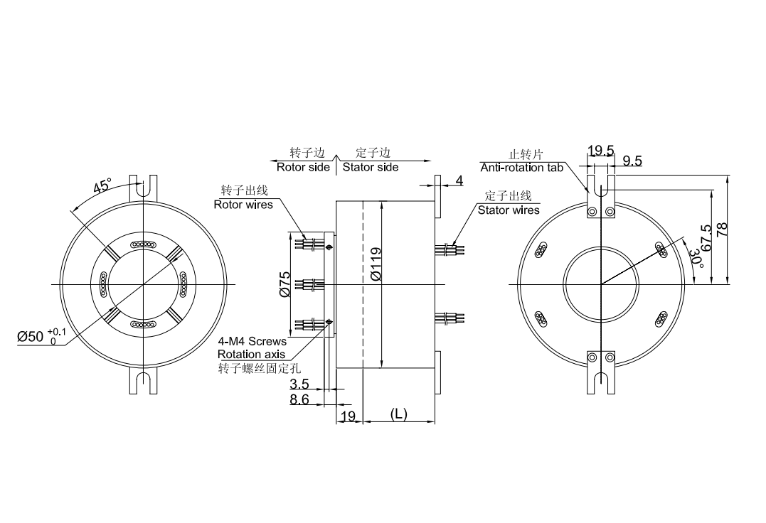
中空防水滑环,孔径25.4~50毫米,外径28~119毫米,无标准可定制;
支持1~56通道1A~72A电流/信号;
外壳由不锈钢制成,耐腐蚀,耐酸碱,能在各种恶劣环境下稳定工作;
订购型号说明:

图纸规格:

安装测试:
