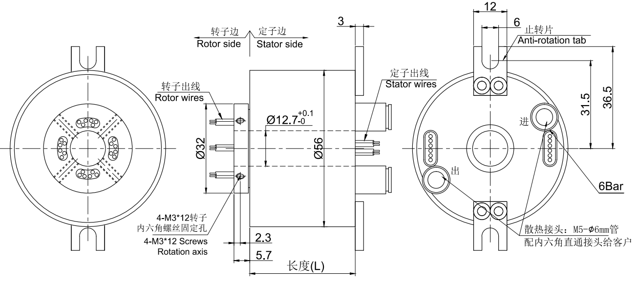
¸ßËÙµ¼µç»¬»·µÄÓ¦ÓÃÁìÓòºÜ¶à£¬±ÈÈçÀ×´ïϵͳ¡¢¸ßËÙת̨/º£¹¤É豸¡¢½¢Í§ÏµÍ³/Ò½ÁÆÉ豸/·´Ó¦¸ª¡¢ÐýתµÆÏä¡¢ÄÌÖÆÆ·Éú²úÉ豸¡¢Ö±Éý»ú¡¢ÈÆÏß»ú¡¢Ì¹¿Ë¡¢ÖÇÄܶ¯Ì¬Íæ¾ß¡¢Ë®Æ½¶ÆÍÉú²úÏß¡¢ÓÎÀÖÉèÊ©¡¢Â·ÇÅ»úе¡¢»úеÊÖ±Û¡¢ÐýתÎę̀¡¢µ¥¾§Â¯¡¢ ÊÖÊõµÆ¡¢ÖÇÄܼҵ硢ԲÐÎÕëÖ¯»ú¡¢º½¿ÕÉ豸/ÈȹöÂÖ¡¢ÐýתÉãÏñ»ú¡¢À×´ïͨѶÉ豸¡¢¹ÜÄÚÉãÏñ»ú¡¢¶Ü¹¹»ú¡¢Ê³Æ·»úе¡¢¼ÓÈÈתÖáµÈ£»

| ¼¼Êõ¹æ¸ñ²ÎÊý | ||||
| »úе¼¼ÊõÖ¸±ê | µçÆø¼¼ÊõÖ¸±ê | |||
| ²ÎÊý | ÊýÖµ | ²ÎÊý | ÊýÖµ | |
| ¹¤×÷ÊÙÃü | 3ÒÚת | ¹¦ÂÊ | ÐźŠ| |
| ¶î¶¨×ªËÙ | 12000RPM | ¶î¶¨µçѹ | 0~440VAC/VDC | 0~440VAC/VDC |
| ¹¤×÷ÎÂ¶È | -30¡æ~80¡æ | ¾øÔµµç×è | ¡Ý1000M¦¸/500VDC | ¡Ý1000M¦¸/500VDC |
| ¹¤×÷ʪ¶È | 0~85% RH | µ¼Ïß¹æ¸ñ | AWG17#¶ÆÒøÌú·úÁú | AWG22#¶ÆÒøÌú·úÁú |
| ½Ó´¥²ÄÁÏ | ¹ó½ðÊô | µ¼Ïß³¤¶È | ±ê×¼³¤¶È300mm£¨¿É¾ÝÒªÇóµ÷Õû£© | |
| ¿ÇÌå²ÄÁÏ | ÂÁºÏ½ð | ¾øÔµÇ¿¶È | 500VAC@50Hz£¬60s | |
| ת¶¯Å¤¾Ø | 0.1N.m£»+0.03N.m/6· | ¶¯Ì¬µç×è±ä»¯Öµ | <0.03¦¸ | |
| ·À»¤µÈ¼¶ | IP51 | |||




¾¹ý¶àÄêµÄ¾Ñé»ýÀÛ£¬Ä¬æÚÁúÓµÓÐ20Íò¶à¸ö²úÆ·3DͼµµÊý¾Ý¿â£¬
ÓÉÓÚ»¥ÁªÍøµÄ¿ª·ÅÐÔºÍͬÐоºÕù£¬ÐèÒª²úÆ·3DͼµµµÄ¿Í»§ÇëÁôϵç×ÓÓÊÏä»òÕßQQ¡£
ÉóºËÍêÁªÏµ·½Ê½ºó£¬ÎÒÃǵÄϵͳ½«ÔÚ5·ÖÖÓÄÚ°Ñ3D×Ô¶¯·¢¶¯µ½ÄúµÄµç×ÓÓÊÏ䣡