¹âÏË/¹âµç»¬»·ÊÇĿǰ¹¤Òµ»¬»·ÀïÃæ¼¼ÊõÄѶÈ×î¸ßµÄµÄÒ»¸öϵÁвúÆ·£¬Ö÷ÒªÓ¦ÓÃÓÚ360¶ÈÁ¬ÐøÐýתÇÒÐèÒª±£Ö¤µçÔ´£¬¹âÏËÐźŲ»ÄÜÖжϵij¡ºÏ£ºÈç¸ß¶Ë»úÆ÷ÈË¡¢¸ß¶ËÎïÁÏÊäËÍϵͳ¡¢¾üÓóµÁ¾ÉϵÄת¶¯ÅÚËþ¡¢Ô¶³Ì¿ØÖÆÏµÍ³¡¢À×´ïÌìÏß¡¢¹âÏË´«¸ÐµÈת̨£¨ËÙÂĘ̂£©µÄ¸ßËÙÊÓÆµ¡¢Êý×Ö¡¢Ä£ÄâÐźŵĴ«ÊäºÍ¿ØÖÆ¡¢Ò½ÁÆÏµÍ³¡¢ÊÓÆµ¼àÊÓϵͳ¡¢±£ÕϹú¼Ò»ò¹ú¼Ê°²È«ÏµÍ³º£µ××÷ҵϵͳ¡¢½ô¼±ÕÕÃ÷É豸¡¢»úÆ÷ÈË¡¢Õ¹ÀÀ/ÏÔʾÉ豸¡¢Ò½ÁÆÉ豸µÈ£»


| ¼¼Êõ¹æ¸ñ²ÎÊý | ||
| Ö¸±êÃû³Æ | ÀàÐÍ | |
| µ¥Ä££¨SM£© | ¶àÄ££¨MM£© | |
| ´ø¿í(nm) | ¡À50 | |
| ×î´ó²åÈëËðºÄ£¬23¡æ(dB) | 4 | 3.5 |
| ²åÈëËðºÄ²¨¶¯(dB) | 2 | 1 |
| »Ø²¨ËðºÄ(dB) | ¡Ý50(APC) | ¡Ý40(PC) |
| ×î´óÊäÈ빦ÂÊ(W) | 0.5 | |
| ÖØÁ¿(g) | 200 | |
| ×î¸ßתËÙ(rpm) | 250 | |
| Ô¤¹ÀÊÙÃü | >2ÒÚת | |
| ¹¤×÷ζÈ(¡æ) | -45~85 | |
| Öü´æÎ¶È(¡æ) | -50~85 | |
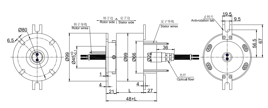
| »úе¼¼ÊõÖ¸±ê | µçÆø¼¼ÊõÖ¸±ê | |||
| ²ÎÊý | ÊýÖµ | ²ÎÊý | ÊýÖµ | |
| ¹¤×÷ÊÙÃü | 2000Íòת | ¹¦ÂÊ | ÐźŠ| |
| ¶î¶¨×ªËÙ | 250RPM | ¶î¶¨µçѹ | 0~440VAC/VDC | 0~440VAC/VDC |
| ¹¤×÷ÎÂ¶È | -30¡æ~80¡æ | ¾øÔµµç×è | ¡Ý1000M¦¸/500VDC | ¡Ý1000M¦¸/500VDC |
| ¹¤×÷ʪ¶È | 0~85% RH | µ¼Ïß¹æ¸ñ | AWG16#¶ÆÎýÌú·úÁú | AWG22#¶ÆÎýÌú·úÁú |
| ½Ó´¥²ÄÁÏ | ½ð-½ð | µ¼Ïß³¤¶È | ±ê×¼³¤¶È300mm£¨¿É¾ÝÒªÇóµ÷Õû£© | |
| ¿ÇÌå²ÄÁÏ | ÂÁºÏ½ð | ¾øÔµÇ¿¶È | 500VAC@50Hz£¬60s | |
| ת¶¯Å¤¾Ø | 0.1N.m£»+0.03N.m/6· | ¶¯Ì¬µç×è±ä»¯Öµ | <0.01¦¸ | |
| ·À»¤µÈ¼¶ | IP51 | |||








¾¹ý¶àÄêµÄ¾Ñé»ýÀÛ£¬Ä¬æÚÁúÓµÓÐ20Íò¶à¸ö²úÆ·3DͼµµÊý¾Ý¿â£¬
ÓÉÓÚ»¥ÁªÍøµÄ¿ª·ÅÐÔºÍͬÐоºÕù£¬ÐèÒª²úÆ·3DͼµµµÄ¿Í»§ÇëÁôϵç×ÓÓÊÏä»òÕßQQ¡£
ÉóºËÍêÁªÏµ·½Ê½ºó£¬ÎÒÃǵÄϵͳ½«ÔÚ5·ÖÖÓÄÚ°Ñ3D×Ô¶¯·¢¶¯µ½ÄúµÄµç×ÓÓÊÏ䣡