快餐qq联系方式免费同城空降服务,2025上海水磨桑拿会所,全国同城空降服务 ,深圳品茶工作室预约个人接单上门服务

±ê×¼²úÆ··ÖÀà

MPW286ϵÁÐ ±âƽÅÌʽ»¬»·
MPW286ϵÁÐ ±âƽÅÌʽ»¬»·
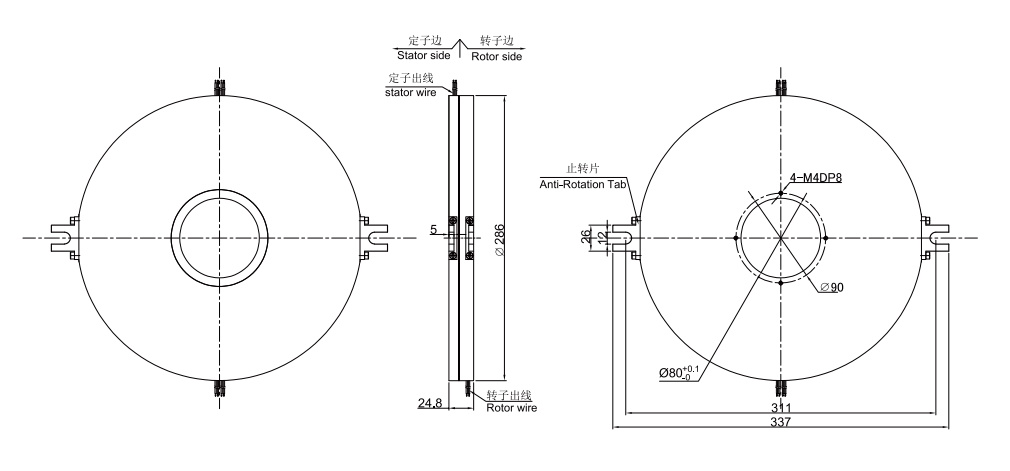
  • ¡¤ MPW286ϵÁÐÅÌʽ»¬»·,ÅÌʽµ¼µç»¬»·, ºñ¶È½öΪ24.8mm£¬È«ÂÁºÏ½ð½á¹¹£¬½Ó´¥²ÄÁϲÉÓùó½ðÊô+³¬Ó²¶Æ½ð´¦Àí£¬ÔËתÎȶ¨£¬µç×貨¶¯Ð¡¡£Ö÷ÒªÓ¦ÓÃÔڸ߶ȿռäÓÐÏÞ£¬ºáÏò¿Õ¼ä»ù±¾²»ÊÜÏÞÖÆµÄÌØÊâ¿Õ¼äÒªÇó¡£

µäÐÍÓ¦Óãº

±âƽÅÌʽ»¬»·£¬Ö÷ÒªÓ¦Óö԰²×°¸ß¶ÈÓÐÑϸñÏÞÖÆµÄ³¡ºÏ£¬ÒªÇó360¶ÈÁ¬ÐøÐýתÇÒÐèÒª±£Ö¤µçÔ´£¬Êý×ÖÐźÅ£¬Ä£ÄâÐźŲ»ÄÜÖжϣºÈçÐýתÃÅ£¬Ò½ÓÃCT,°²¼ìÉ豸£¬ÒÔ¼°ÆäËû¹¤Òµ×Ô¶¯»¯É豸£¬ÖÇÄÜÖÆÔìÉ豸£¬ º¸½Ó»úÆ÷È˵ȣ»

ÐͺŶ©¹ºËµÃ÷£º

²úÆ·µÈ¼¶±í
²úÆ·µÈ¼¶´úºÅ×î¸ßתËÙ¹¤×÷ÊÙÃü½Ó´¥²ÄÁÏ
VC£¨Í¨Óü¶£©60RPM300Íòת¹ó½ðÊô
VD£¨¹¤Òµ¼¶£©200RPM1000Íòת¶Æ½ð-¶Æ½ð

¼¼Êõ¹æ¸ñ²ÎÊý
»úе¼¼ÊõÖ¸±êµçÆø¼¼ÊõÖ¸±ê
²ÎÊýÊýÖµ²ÎÊýÊýÖµ
¹¤×÷ÊÙÃü²Î¿¼²úÆ·Ñ¡Ð͵ȼ¶¹¦ÂÊÐźÅ
¶î¶¨×ªËٲο¼²úÆ·Ñ¡Ð͵ȼ¶¶î¶¨µçѹ0~220VAC/VDC0~220VAC/VDC
¹¤×÷ζÈ-30¡æ~80¡æ¾øÔµµç×è¡Ý150M¦¸/150VDC¡Ý150M¦¸/240VDC
¹¤×÷ʪ¶È0~85% RHµ¼Ïß¹æ¸ñAWG18#¹è½ºÏßAWG24#¹è½ºÏß
½Ó´¥²ÄÁϲο¼²úÆ·Ñ¡Ð͵ȼ¶µ¼Ïß³¤¶È±ê×¼³¤¶È300mm£¨¿É¾ÝÒªÇóµ÷Õû£©
¿ÇÌå²ÄÁÏÂÁºÏ½ð¾øÔµÇ¿¶È100VAC@50Hz£¬60s
ת¶¯Å¤¾Ø0.1N.m£»+0.03N.m/6·¶¯Ì¬µç×è±ä»¯Öµ<0.01¦¸
·À»¤µÈ¼¶IP51


±ê׼ͼֽ

¸÷»·Â·µ¼ÏßÉ«Âë±í
»·µÀÑÕÉ«»·µÀÑÕÉ«
1ºÚ7ºÚ
2ºì8ºì
3Ȯ9Ȯ
4ÂÌ10ÂÌ
5˦11˦
6°×12°×

×¢£º6¸öÑÕɫΪһ×飬·Ö±ðÐòºÅ1...6, ÏÂÒ»×é´Ó7...12, ÖØ¸´Ç°6¸öÑÕÉ«£¬Ã¿×éÓúÅÂë¹Ü×÷Ϊ×éÐòºÅ±êʶ¡£


ͬϵÁиü¶à²úÆ·²Î¿¼£º
»ñÈ¡²úÆ·3Dͼֽ
X

¾­¹ý¶àÄêµÄ¾­Ñé»ýÀÛ£¬Ä¬æÚÁúÓµÓÐ20Íò¶à¸ö²úÆ·3DͼµµÊý¾Ý¿â£¬
ÓÉÓÚ»¥ÁªÍøµÄ¿ª·ÅÐÔºÍͬÐоºÕù£¬ÐèÒª²úÆ·3DͼµµµÄ¿Í»§ÇëÁôϵç×ÓÓÊÏä»òÕßQQ¡£

ÉóºËÍêÁªÏµ·½Ê½ºó£¬ÎÒÃǵÄϵͳ½«ÔÚ5·ÖÖÓÄÚ°Ñ3D×Ô¶¯·¢¶¯µ½ÄúµÄµç×ÓÓÊÏ䣡