¸ßÇ廬»·ÊÇÓÃÓÚ¸ßÇåÊÓÆµÐźţ¨°üÀ¨1080P£¬4K»òÕß8K£©´«ÊäºÍͨÐŵÄÒ»¿î²úÆ·£¬Ö÷ÒªÓ¦ÓÃÓÚ360¶ÈÁ¬ÐøÐýתÇÒÐèÒª±£Ö¤µçÔ´£¬¸ßÇ壬³¬¸ßÇåÊÓÆµÐźŲ»ÄÜÖжϵij¡ºÏ£ºÈç¸÷Öָ߶ËÉãÏñ³µ£¬µçÓ°ÅÄÉãÉ豸£¬ÎÞÈËÆû³µ£¬¾üÓÃÎÞÈË»úµõ²Õ£¬¹¤ÒµÎÞÈË»úµõ²Õ£¬¸ßÇåÉãÏñÍ·ÔÆÌ¨£¬Çò»úµÈ£»
| ¼¼Êõ¹æ¸ñ²ÎÊý | |||
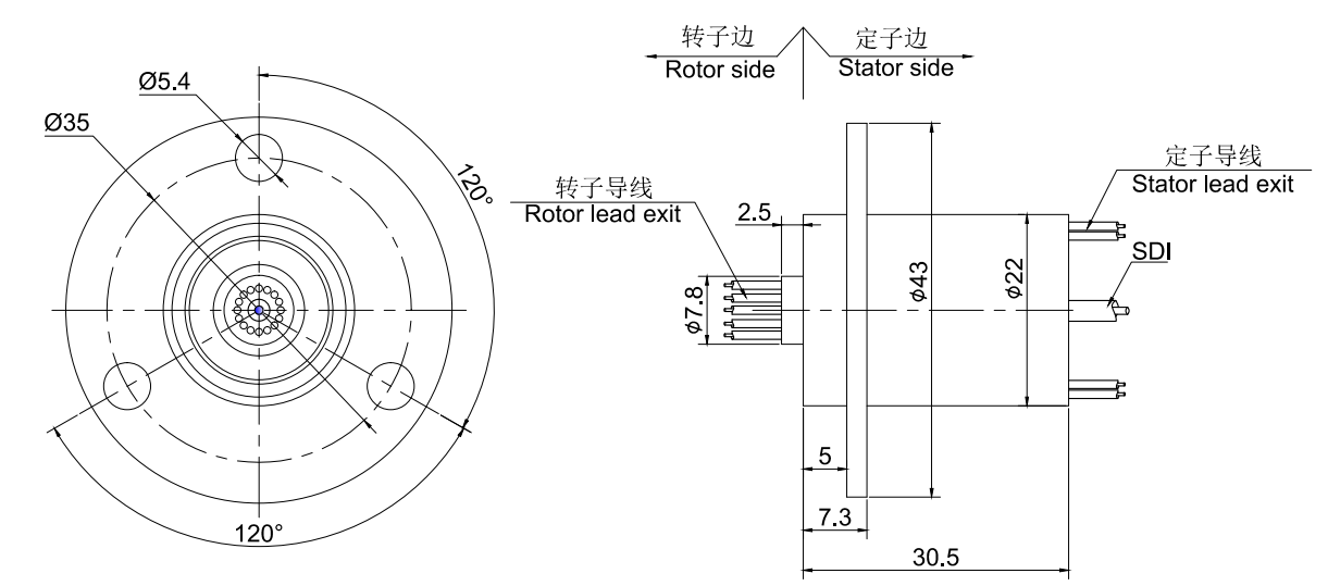
| ¸ßÇåÐýת½ÓÍ·¼¼Êõ²ÎÊý | |||
| ²ÎÊý | ÊýÖµ | ²ÎÊý | ÊýÖµ |
| ÊäÈëÊä³ö | RG-179/U | ×î´óתËÙ | 50RPM |
| ÊÙÃü | 2ÒÚת | ½ÓÍ·ÀàÐÍ | BNC/F |
| ×迹 | 75 ohms | ¶î¶¨µçÁ÷ | Ö±Á÷1A(×î´ó) |
| µçÆø¼¼ÊõÖ¸±ê | |||
| ²ÎÊý | ÊýÖµ | ||
| ¹¦ÂÊ | ÐźŠ| ||
| ¶î¶¨µçѹ | 0~440VAC/VDC | 0~440VAC/VDC | |
| ¾øÔµµç×è | ¡Ý1000M¦¸/500VDC | ¡Ý1000M¦¸/500VDC | |
| µ¼Ïß¹æ¸ñ | AWG28#¶ÆÎýÌú·úÁú | AWG28#¶ÆÎýÌú·úÁú | |
| µ¼Ïß³¤¶È | ±ê×¼³¤¶È300mm£¨¿É¾ÝÒªÇóµ÷Õû£© | ||
| ¾øÔµÇ¿¶È | 500VAC@50Hz£¬60s | ||
| ¶¯Ì¬µç×è±ä»¯Öµ | <0.01¦¸ | ||
| »úе¼¼ÊõÖ¸±ê | |||
| ²ÎÊý | ÊýÖµ | ||
| ¹¤×÷ÊÙÃü | 1000Íòת | ||
| ¶î¶¨×ªËÙ | 250RPM | ||
| ¹¤×÷ÎÂ¶È | -30¡æ~80¡æ | ||
| ¹¤×÷ʪ¶È | 0~85% RH | ||
| ½Ó´¥²ÄÁÏ | ½ð-½ð | ||
| ¿ÇÌå²ÄÁÏ | ÂÁºÏ½ð | ||
| ת¶¯Å¤¾Ø | 0.05N.m£»+0.01N.m/6· | ||
| ·À»¤µÈ¼¶ | IP51 | ||






¾¹ý¶àÄêµÄ¾Ñé»ýÀÛ£¬Ä¬æÚÁúÓµÓÐ20Íò¶à¸ö²úÆ·3DͼµµÊý¾Ý¿â£¬
ÓÉÓÚ»¥ÁªÍøµÄ¿ª·ÅÐÔºÍͬÐоºÕù£¬ÐèÒª²úÆ·3DͼµµµÄ¿Í»§ÇëÁôϵç×ÓÓÊÏä»òÕßQQ¡£
ÉóºËÍêÁªÏµ·½Ê½ºó£¬ÎÒÃǵÄϵͳ½«ÔÚ5·ÖÖÓÄÚ°Ñ3D×Ô¶¯·¢¶¯µ½ÄúµÄµç×ÓÓÊÏ䣡