¹ý¿×ʽµ¼µç»¬»·ÊÇĿǰ¹¤Òµ»¬»·ÀïÃæÐÔ¼Û±È×î¸ß£¬×ÏúµÄÒ»¸öϵÁвúÆ·£¬Ö÷ÒªÓ¦ÓÃÓÚ360¶ÈÁ¬ÐøÐýתÇÒÐèÒª±£Ö¤µçÔ´£¬ÐźŲ»ÄÜÖжϵij¡ºÏ£ºÈç¸÷ÖÖÀ״°²·ÀÉ豸£¬ÓéÀÖÉ豸£¬¸÷ÖÖ»úÆ÷ÈË¡¢»úеÊÖ£¬¸÷ÖÖ¸¡¿ÕÆ÷£¬¸÷ÖÖ·çÁ¦·¢µçÉ豸´µÆ¿»ú£¬µÆ¼ì»ú£¬¸÷ÖÖת̨£¬ÓÎÀÖÓÎÒÕÉ豸£¬ÐéÄâ3D£¬VRÉ豸£¬ ³µÔØÎÀÐÇÌìÏߣ¬´¬ÔØÎÀÐǵçÏߣ¬µçÀ¾íͲ£¬²Á´°»úÉ豸£¬Ðýת²Í×À£¬ÐýתÎę̀£¬ÐýתÆÁÄ»£¬Ðýת²ÍÌü£¬µç¶¯¹¤³Ì»úе£¬×îеÄVRÄ£Äâ·ÂÕæÉ豸µÈ¡££»
²úÆ·µÈ¼¶Ñ¡Ðͱí | |||
²úÆ·µÈ¼¶´úºÅ | ×î¸ßתËÙ | ¹¤×÷ÊÙÃü | ½Ó´¥²ÄÁÏ |
VC£¨Í¨Óü¶£© | 250RPM | 2000Íòת | ¹ó½ðÊô |
VD£¨¹¤Òµ¼¶£© | 600RPM | 8000Íòת | ¶Æ½ð-¶Æ½ð |
VH£¨¸ß¶Ë¼¶£© | 1000RPM | 1.5ÒÚת | ½ðºÏ½ð |
¼¼Êõ¹æ¸ñ²ÎÊý | ||||
»úе¼¼ÊõÖ¸±ê | µçÆø¼¼ÊõÖ¸±ê | |||
²ÎÊý | ÊýÖµ | ²ÎÊý | ÊýÖµ | |
¹¤×÷ÊÙÃü | ²Î¿¼²úÆ·Ñ¡Ð͵ȼ¶ | ¹¦ÂÊ | ÐźŠ| |
¶î¶¨×ªËÙ | ²Î¿¼²úÆ·Ñ¡Ð͵ȼ¶ | ¶î¶¨µçѹ | 0~690VAC/VDC | 0~440VAC/VDC |
¹¤×÷ÎÂ¶È | -30¡æ~80¡æ | ¾øÔµµç×è | ¡Ý1000M¦¸/500VDC | ¡Ý1000M¦¸/500VDC |
¹¤×÷ʪ¶È | 0~85% RH | µ¼Ïß¹æ¸ñ | AWG16#¶ÆÎýÌú·úÁú | AWG22#¶ÆÎýÌú·úÁú |
½Ó´¥²ÄÁÏ | ²Î¿¼²úÆ·µÈ¼¶Ñ¡Ðͱí | µ¼Ïß³¤¶È | ±ê×¼³¤¶È300mm£¨¿É¾ÝÒªÇóµ÷Õû£© | |
¿ÇÌå²ÄÁÏ | ÂÁºÏ½ð | ¾øÔµÇ¿¶È | 800VAC@50Hz£¬60s | |
ת¶¯Å¤¾Ø | 0.1N.m£»+0.03N.m/6· | ¶¯Ì¬µç×è±ä»¯Öµ | <0.01¦¸ | |
·À»¤µÈ¼¶ | IP51 |
MT2586FϵÁйý¿×»¬»·Ñ¡Ðͱí | |||||||||
ÐͺŠ| 10A | ÐźŻò5A | ³¤¶È L£¨mm) | ÐͺŠ| 10A | ÐźŻò5A | ³¤¶È L£¨mm) | ||
MT2586F-S02 | 0 | 2 | 31.6 | MT2586-P1210-S12 | 12 | 12 | 106.4 | ||
MT2586F-P0210 | 2 | 0 | 31.6 | MT2586-P1810-S06 | 18 | 6 | 106.4 | ||
MT2586F-S03 | 0 | 3 | 35 | MT2586F-P2410 | 24 | 0 | 106.4 | ||
MT2586F-P0310 | 3 | 0 | 35 | MT2586F-S30 | 0 | 30 | 126.8 | ||
MT2586F-S06 | 0 | 6 | 45.2 | MT2586F-P0610-S24 | 6 | 24 | 126.8 | ||
MT2586F-P0210-S04 | 2 | 4 | 45.2 | MT2586F-P1210-S18 | 12 | 18 | 126.8 | ||
MT2586F-P0410-S02 | 4 | 2 | 45.2 | MT2586F-P1810-S12 | 18 | 12 | 126.8 | ||
MT2586F-P0610 | 6 | 0 | 45.2 | MT2586F-P2410-S06 | 24 | 6 | 126.8 | ||
MT2586F-S12 | 0 | 12 | 65.6 | MT2586F-P3010 | 30 | 0 | 126.8 | ||
MT2586F-P0210-S10 | 2 | 10 | 65.6 | MT2586F-S36 | 0 | 36 | 150.2 | ||
MT2586F-P0310-S09 | 3 | 9 | 65.6 | MT2586F-P0610-S30 | 6 | 30 | 150.2 | ||
MT2586F-P0610-S06 | 6 | 6 | 65.6 | MT2586F-P1210-S24 | 12 | 24 | 150.2 | ||
MT2586F-P0810-S04 | 8 | 4 | 65.6 | MT2586F-P3610 | 36 | 0 | 150.2 | ||
MT2586F-P1010-S02 | 10 | 2 | 65.6 | MT2586F-S42 | 0 | 42 | 170.6 | ||
MT2586F-P1210 | 12 | 0 | 65.6 | MT2586F-P0610-S36 | 6 | 36 | 170.6 | ||
MT2586F-S18 | 0 | 18 | 86 | MT2586F-P1210-S30 | 12 | 30 | 170.6 | ||
MT2586F-P0210-S16 | 2 | 16 | 86 | MT2586F-S48 | 0 | 48 | 193.2 | ||
MT2586F-P0410-S14 | 4 | 14 | 86 | MT2586F-P0610-S42 | 6 | 42 | 193.2 | ||
MT2586F-P0610-S12 | 6 | 12 | 86 | MT2586F-P0910-S39 | 9 | 39 | 193.2 | ||
MT2586F-P0810-S10 | 8 | 10 | 86 | MT2586F-P1210-S36 | 12 | 36 | 193.2 | ||
MT2586F-P1010-S08 | 10 | 8 | 86 | MT2586F-P1810-S30 | 18 | 30 | 193.2 | ||
MT2586F-P1210-S06 | 12 | 6 | 86 | MT2586F-P2410-S24 | 24 | 24 | 193.2 | ||
MT2586F-P1410-S04 | 14 | 4 | 86 | MT2586F-S60 | 0 | 60 | 234 | ||
MT2586F-P1610-S02 | 16 | 2 | 86 | MT2586F-P0610-S54 | 6 | 54 | 234 | ||
MT2586F-S24 | 0 | 24 | 106.4 | MT2586F-P0910-S51 | 9 | 51 | 234 | ||
MT2586F-P0410-S20 | 4 | 20 | 106.4 | MT2586F-P1210-S48 | 12 | 48 | 234 | ||
MT2586F-P0610-S18 | 6 | 18 | 106.4 | MT2586F-S72 | 0 | 72 | 277.8 |
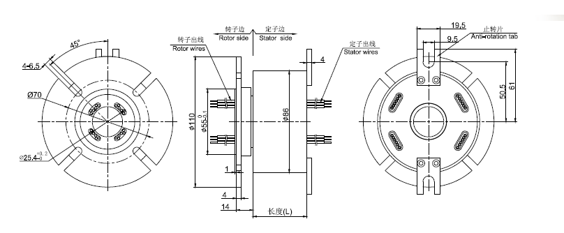
±ê׼ͼֽ ![]() |
¾¹ý¶àÄêµÄ¾Ñé»ýÀÛ£¬Ä¬æÚÁúÓµÓÐ20Íò¶à¸ö²úÆ·3DͼµµÊý¾Ý¿â£¬
ÓÉÓÚ»¥ÁªÍøµÄ¿ª·ÅÐÔºÍͬÐоºÕù£¬ÐèÒª²úÆ·3DͼµµµÄ¿Í»§ÇëÁôϵç×ÓÓÊÏä»òÕßQQ¡£
ÉóºËÍêÁªÏµ·½Ê½ºó£¬ÎÒÃǵÄϵͳ½«ÔÚ5·ÖÖÓÄÚ°Ñ3D×Ô¶¯·¢¶¯µ½ÄúµÄµç×ÓÓÊÏ䣡