CCTV, 高速球,云台,测量仪器仪表等行业,通常也叫做高速球专用滑环, 云台滑环, 价格便宜, 路数配置灵活,另外应用于高速离心机滑环 高速变位机滑环,高速转台滑环,管内摄影机,安检专用设备滑环,加热管旋转导电滑环,焊接设备滑环,旋转门滑环,机械手臂导电滑环,展览/显示设备,海运设施,圆形针织机,电阻切割机等等。;

| 产品等级表 | |||||
| MC1650 和 MC16509的区别: | |||||
| 型号 | 最高转速 | 产品寿命 | 扭矩 | 壳体材料 | 电气噪音①@10Rpm |
| MC1650 | 250RPM | >1000万 | 0.02 N·m | 金属 | 10mΩ |
| MC16509 | 600RPM | >2000万 | 0.01 N·m | 金属 | 5mΩ |
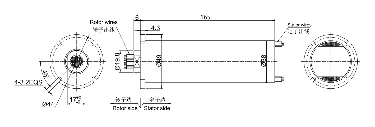
| 技术规格参数 | ||||
| 机械技术指标 | 电气技术指标 | |||
| 参数 | 数值 | 参数 | 数值 | |
| 工作寿命 | 见产品等级表 | 功率 | 信号 | |
| 额定转速 | 见产品等级表 | 额定电压 | 0~240VAC/VDC | 0~240VAC/VDC/VDC |
| 工作温度 | -30℃~80℃/-45℃~80℃ | 绝缘电阻 | ≥100MΩ/500VDC | ≥100MΩ/500VDC |
| 工作湿度 | 0~85% RH/0~97%RH | 导线规格 | AWG#26 | AWG#26 |
| 接触材料 | 见产品等级表 | 导线长度 | 标准长度300mm(可据要求调整) | |
| 壳体材料 | 见产品等级表 | 绝缘强度 | 500VAC@50Hz,60s | |
| 转动扭矩 | 0.05N.m;+0.01N.m/6路 | 动态电阻变化值 | <0.01Ω | |
| 防护等级 | IP51 | |||





经过多年的经验积累,默孚龙拥有20万多个产品3D图档数据库,
由于互联网的开放性和同行竞争,需要产品3D图档的客户请留下电子邮箱或者QQ。
审核完联系方式后,我们的系统将在5分钟内把3D自动发动到您的电子邮箱!