¹ý¿×ʽµ¼µç»¬»·ÊÇĿǰ¹¤Òµ»¬»·ÀïÃæÐÔ¼Û±È×î¸ß£¬×ÏúµÄÒ»¸öϵÁвúÆ·£¬Ö÷ÒªÓ¦ÓÃÓÚ360¶ÈÁ¬ÐøÐýתÇÒÐèÒª±£Ö¤µçÔ´£¬ÐźŲ»ÄÜÖжϵij¡ºÏ£ºÈç¸÷ÖÖÀ״°²·ÀÉ豸£¬ÓéÀÖÉ豸£¬¸÷ÖÖ»úÆ÷ÈË¡¢»úеÊÖ£¬¸÷ÖÖ¸¡¿ÕÆ÷£¬¸÷ÖÖ·çÁ¦·¢µçÉ豸´µÆ¿»ú£¬µÆ¼ì»ú£¬¸÷ÖÖת̨£¬ÓÎÀÖÓÎÒÕÉ豸£¬ÐéÄâ3D£¬VRÉ豸£¬ ³µÔØÎÀÐÇÌìÏߣ¬´¬ÔØÎÀÐǵçÏߣ¬µçÀ¾íͲ£¬²Á´°»úÉ豸£¬Ðýת²Í×À£¬ÐýתÎę̀£¬ÐýתÆÁÄ»£¬Ðýת²ÍÌü£¬µç¶¯¹¤³Ì»úе£¬×îеÄVRÄ£Äâ·ÂÕæÉ豸µÈ¡££»

| ²úÆ·µÈ¼¶Ñ¡Ðͱí | ||||
| ²úÆ·µÈ¼¶´úºÅ | ×î¸ßתËÙ | ¹¤×÷ÊÙÃü | ½Ó´¥²ÄÁÏ | |
| VC£¨Í¨Óü¶£© | 250RPM | 2000Íòת | ¹ó½ðÊô | |
| VD£¨¹¤Òµ¼¶£© | 600RPM | 6000Íòת | ¶Æ½ð-¶Æ½ð | |
| ¼¼Êõ²ÎÊý | ||||
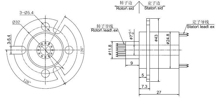
| »úе¼¼ÊõÖ¸±ê | µçÆø¼¼ÊõÖ¸±ê | |||
| ²ÎÊý | ÊýÖµ | ²ÎÊý | ÊýÖµ | |
| ¹¤×÷ÊÙÃü | ²Î¿¼²úÆ·Ñ¡Ð͵ȼ¶ | ¹¦ÂÊ | ÐźŠ| |
| ¶î¶¨×ªËÙ | ²Î¿¼²úÆ·Ñ¡Ð͵ȼ¶ | ¶î¶¨µçѹ | 0~240VAC/VDC | 0~240VAC/VDC |
| ¹¤×÷ÎÂ¶È | -30¡æ~80¡æ | ¾øÔµµç×è | ¡Ý500M¦¸/500VDC | ¡Ý500M¦¸/500VDC |
| ¹¤×÷ʪ¶È | 0~85% RH | µ¼Ïß¹æ¸ñ | AWG28#¶ÆÒøÌú·úÁú | AWG28#¶ÆÒøÌú·úÁú |
| ½Ó´¥²ÄÁÏ | ²Î¿¼²úÆ·µÈ¼¶Ñ¡Ðͱí | µ¼Ïß³¤¶È | ±ê×¼³¤¶È300mm£¨¿É¾ÝÒªÇóµ÷Õû£© | |
| ¿ÇÌå²ÄÁÏ | ÂÁºÏ½ð | ¾øÔµÇ¿¶È | 500VAC@50Hz£¬60s | |
| ת¶¯Å¤¾Ø | 0.05N.m£»+0.02N.m/6· | ¶¯Ì¬µç×è±ä»¯Öµ | <0.01¦¸ | |
| ·À»¤µÈ¼¶ | IP51 | |||








¾¹ý¶àÄêµÄ¾Ñé»ýÀÛ£¬Ä¬æÚÁúÓµÓÐ20Íò¶à¸ö²úÆ·3DͼµµÊý¾Ý¿â£¬
ÓÉÓÚ»¥ÁªÍøµÄ¿ª·ÅÐÔºÍͬÐоºÕù£¬ÐèÒª²úÆ·3DͼµµµÄ¿Í»§ÇëÁôϵç×ÓÓÊÏä»òÕßQQ¡£
ÉóºËÍêÁªÏµ·½Ê½ºó£¬ÎÒÃǵÄϵͳ½«ÔÚ5·ÖÖÓÄÚ°Ñ3D×Ô¶¯·¢¶¯µ½ÄúµÄµç×ÓÓÊÏ䣡