快餐qq联系方式免费同城空降服务,2025上海水磨桑拿会所,全国同城空降服务 ,深圳品茶工作室预约个人接单上门服务

±ê×¼²úÆ··ÖÀà

MT300476ϵÁÐ ±ê×¼ÕûÌåʽ¾«Ãܵ¼µç»¬»·
MT300476ϵÁÐ ±ê×¼ÕûÌåʽ¾«Ãܵ¼µç»¬»·
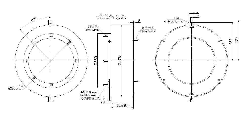
  • ¡¤ ͨ¿×Ö±¾¶Îª300mm£¨ÊÊÓÃÓÚ<=300mm£©µÄ±ê׼ϵÁÐÕûÌåʽ¾«Ãܵ¼µç»¬»·¡£*×¢Ò⣺ÈçÐè<300mmµÄÄÚ¿×£¬¿Éͨ¹ý¼ÓÄÚ³ÄÖáÌ×½â¾ö¡£
  • ¡¤ ±ê×¼»¯²úÆ·£¬ÓÐ¿â´æ
  • ¡¤ ¶Æ½ð»·+ºÏ½ðË¢£¨¶Æ½ð£©
  • ¡¤ Ö§³ÖÐźÅ£¬¹¦ÂÊ»ìºÏ´«Êä
  • ¡¤ ¿É»ùÓÚ±ê×¼ÐͺŶ¨ÖƵç·ÊýºÍµçÁ÷µçѹ

µäÐÍÓ¦Óãº

¹ý¿×ʽµ¼µç»¬»·ÊÇĿǰ¹¤Òµ»¬»·ÀïÃæÐÔ¼Û±È×î¸ß£¬×ÏúµÄÒ»¸öϵÁвúÆ·£¬Ö÷ÒªÓ¦ÓÃÓÚ360¶ÈÁ¬ÐøÐýתÇÒÐèÒª±£Ö¤µçÔ´£¬ÐźŲ»ÄÜÖжϵij¡ºÏ£ºÈç¸÷ÖÖÀ״°²·ÀÉ豸£¬ÓéÀÖÉ豸£¬¸÷ÖÖ»úÆ÷ÈË¡¢»úеÊÖ£¬¸÷ÖÖ¸¡¿ÕÆ÷£¬¸÷ÖÖ·çÁ¦·¢µçÉ豸´µÆ¿»ú£¬µÆ¼ì»ú£¬¸÷ÖÖת̨£¬ÓÎÀÖÓÎÒÕÉ豸£¬ÐéÄâ3D£¬VRÉ豸£¬ ³µÔØÎÀÐÇÌìÏߣ¬´¬ÔØÎÀÐǵçÏߣ¬µçÀ¾íͲ£¬²Á´°»úÉ豸£¬Ðýת²Í×À£¬ÐýתÎę̀£¬ÐýתÆÁÄ»£¬Ðýת²ÍÌü£¬µç¶¯¹¤³Ì»úе£¬×îеÄVRÄ£Äâ·ÂÕæÉ豸µÈ¡££»

ÐͺŶ©¹ºËµÃ÷£º


²úÆ·µÈ¼¶Ñ¡Ðͱí
²úÆ·µÈ¼¶´úºÅ×î¸ßתËÙ¹¤×÷ÊÙÃü½Ó´¥²ÄÁÏ
VC£¨Í¨Óü¶£©150RPM1000Íòת¹ó½ðÊô
VD£¨¹¤Òµ¼¶£©250RPM2000Íòת¶Æ½ð-¶Æ½ð

¼¼Êõ¹æ¸ñ²ÎÊý
»úе¼¼ÊõÖ¸±êµçÆø¼¼ÊõÖ¸±ê
²ÎÊýÊýÖµ²ÎÊýÊýÖµ
¹¤×÷ÊÙÃü²Î¿¼²úÆ·Ñ¡Ð͵ȼ¶¹¦ÂÊÐźÅ
¶î¶¨×ªËٲο¼²úÆ·Ñ¡Ð͵ȼ¶¶î¶¨µçѹ0~690VAC/VDC0~440VAC/VDC
¹¤×÷ζÈ-30¡æ~80¡æ¾øÔµµç×è¡Ý1000M¦¸/500VDC¡Ý1000M¦¸/500VDC
¹¤×÷ʪ¶È0~85% RHµ¼Ïß¹æ¸ñAWG16#¶ÆÎýÌú·úÁúAWG22#¶ÆÎýÌú·úÁú
½Ó´¥²ÄÁϲο¼²úÆ·µÈ¼¶Ñ¡ÐÍ±íµ¼Ïß³¤¶È±ê×¼³¤¶È300mm£¨¿É¾ÝÒªÇóµ÷Õû£©
¿ÇÌå²ÄÁÏÂÁºÏ½ð¾øÔµÇ¿¶È1000VAC@50Hz£¬60s
ת¶¯Å¤¾Ø0.1N.m£»+0.03N.m/6·¶¯Ì¬µç×è±ä»¯Öµ<0.01¦¸
·À»¤µÈ¼¶IP51



MT300476ϵÁйý¿×»¬»·Ñ¡Ðͱí
ÐͺÅ10AÐźŻò5A³¤¶È L£¨mm)ÐͺÅ10AÐźŻò5A³¤¶È L£¨mm)
MT300476-S0202 114 MT300476-S36036 392
MT300476-P021020114 MT300476-P0610-S30630 392
MT300476-S0303 122 MT300476-P1210-S241224 392
MT300476-P031030 122 MT300476-P3610360 392
MT300476-S0606 146 MT300476-S42042 440
MT300476-P0210-S0424 146 MT300476-P0610-S36636440
MT300476-P0410-S0242 146 MT300476-P1210-S301230440
MT300476-P061060 146 MT300476-S48048 488
MT300476-S12012 194 MT300476-P0610-S42642488
MT300476-P0210-S10210194 MT300476-P0910-S39939488
MT300476-P0310-S0939194 MT300476-P1210-S361236488
MT300476-P0610-S0666194 MT300476-P1810-S301830488
MT300476-P0810-S0484194 MT300476-P2410-S242424488
MT300476-P1010-S02102194 MT300476-S60060 584
MT300476-P1210120194 MT300476-P0610-S54654584
MT300476-S18018 242 MT300476-P0910-S51951584
MT300476-P0210-S16216242 MT300476-P1210-S481248584
MT300476-P0410-S14414242 MT300476-S72072 686
MT300476-P0610-S12612242 MT300476-P0610-S66666686
MT300476-P0810-S10810242 MT300476-P1210-S601260686
MT300476-P1010-S08108242 MT300476-P2410-S482448686
MT300476-P1210-S06126242 MT300476-P3610-S363636686
MT300476-P1410-S04144242 MT300476-S84084 782
MT300476-P1610-S02162242 MT300476-P1210-S721272782
MT300476-S24024 290 MT300476-P2410-S602460782
MT300476-P0410-S20420290 MT300476-P3610-S483648782
MT300476-P0610-S18618290 MT300476-S96096 878
MT300476-P1210-S121212290 MT300476-P1210-S841284878
MT300476-P1810-S06186290 MT300476-P2410-S722472878
MT300476-P2410240290 MT300476-P3610-S603660878
MT300476-S30030 338 MT300476-P4210-S544254878
MT300476-P0610-S24624338 MT300476-S1080108 980
MT300476-P1210-S181218338 MT300476-P1210-S961296980
MT300476-P1810-S121812338 MT300476-P2410-S842484980
MT300476-P2410-S06246338 MT300476-P3610-S723672980
MT300476-P3010300338 MT300476-P4810-S604860980

×¢£º10AºÍ ÐźÅ(5A)¿ÉÒÔÈÎÒâ×éºÏ£¬ÏêϸÇë×Éѯ¿Í·þ¡£¿ÉÔÚ±ê×¼²úÆ·ÉϽøÐÐ·Ç±ê¶¨ÖÆ£¬Çë×Éѯ¿Í·þ¡£

±ê׼ͼֽ

ͬϵÁиü¶à²úÆ·²Î¿¼£º
»ñÈ¡²úÆ·3Dͼֽ
X

¾­¹ý¶àÄêµÄ¾­Ñé»ýÀÛ£¬Ä¬æÚÁúÓµÓÐ20Íò¶à¸ö²úÆ·3DͼµµÊý¾Ý¿â£¬
ÓÉÓÚ»¥ÁªÍøµÄ¿ª·ÅÐÔºÍͬÐоºÕù£¬ÐèÒª²úÆ·3DͼµµµÄ¿Í»§ÇëÁôϵç×ÓÓÊÏä»òÕßQQ¡£

ÉóºËÍêÁªÏµ·½Ê½ºó£¬ÎÒÃǵÄϵͳ½«ÔÚ5·ÖÖÓÄÚ°Ñ3D×Ô¶¯·¢¶¯µ½ÄúµÄµç×ÓÓÊÏ䣡