快餐qq联系方式免费同城空降服务,2025上海水磨桑拿会所,全国同城空降服务 ,深圳品茶工作室预约个人接单上门服务

±ê×¼²úÆ··ÖÀà

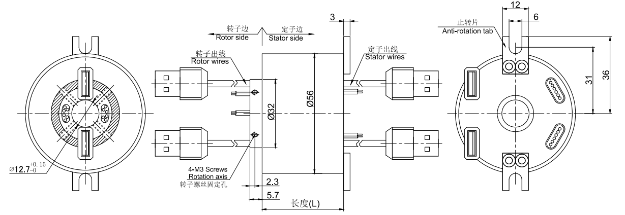
MUSB2122ϵÁÐ USB»¬»·
MUSB2122ϵÁÐ USB»¬»·
  • ¡¤ 2ͨµÀUSB2.0+ 1~30 · ¹¦ÂÊ/ÐźŠUSBרÓû¬»·
  • ¡¤ MUSB2122ϵÁÐUSB»¬»·£¬ÄÚ¿×12.7mm£¬Í⾶Ϊ±ê×¼56mmµÄ½ô´ÕÐÍÕûÌåʽ½á¹¹µÄ2ͨµÀ USB1.0/USB2.0ÕûÌåʽ¾«Ãܵ¼µç»¬»·£¬
  • ¡¤ ÄÜ»ìºÏ´«Ê书ÂʵçÁ÷£¬ ÐźŵÈ£¡
  • ¡¤ ¾ßÓд«ÊäÎȶ¨£¬²»¶ª°ü£¬²»´®Â룬»ØËðС£¬²åÈëËðºÄСµÈÓŵã¡£
  • ¡¤ ÃÀ¹ú¾ü¹¤¶Æ²ã¼¼Êõ£¬¹ó½ðÊô+³¬Ó²¶Æ½ð´¦Àí¡¢³¬µÍµÄBERÎóÂëÂʺͳ¬¸ßµÄÐÅÔë±È¡£

µäÐÍÓ¦Óãº

¹¤Òµ»úÆ÷¼Ó¹¤ÖÐÐÄ¡¢Ðýת¹¤×÷̨¡¢ÖØÐÍÉ豸Ëþ̨¡¢µçÀ¾íÅÌ¡¢°ü×°É豸¡¢´ÅÐÔÀëºÏÆ÷¡¢¹¤ÒÕ¿ØÖÆÉ豸¡¢Ðýת´«¸ÐÆ÷¡¢½ô¼±ÕÕÃ÷É豸¡¢»úÆ÷ÈË¡¢Õ¹ÀÀ/ÏÔʾÉ豸¡¢Ò½ÁÆÉ豸¡¢ÐýתÃŵÈ£»

ÐͺŶ©¹ºËµÃ÷£º

¼¼Êõ¹æ¸ñ²ÎÊý
USB²¿·Ö¼¼ÊõÖ¸±ê»úе¼¼ÊõÖ¸±ê
²ÎÊýÊýÖµ²ÎÊýÊýÖµ
USBUSB1.0,USB2.0¹¤×÷ÊÙÃü2000Íòת
½ÓÍ·USB TYPE-A ĸͷ¶î¶¨×ªËÙ600RPM
ÎóÂëÂÊBER10E-11¹¤×÷ζÈ-30¡æ~80¡æ
µçÆø¼¼ÊõÖ¸±ê¹¤×÷ʪ¶È0~85% RH
²ÎÊýÊýÖµ½Ó´¥²ÄÁϽð-½ð
¹¦ÂÊÐźſÇÌå²ÄÁÏÂÁºÏ½ð
¶î¶¨µçѹ0~440VAC/VDC0~440VAC/VDCת¶¯Å¤¾Ø0.1N.m£»+0.03N.m/6·
¾øÔµµç×è¡Ý1000M¦¸/500VDC¡Ý1000M¦¸/500VDC·À»¤µÈ¼¶IP51
µ¼Ïß¹æ¸ñAWG16#¶ÆÎýÌú·úÁúAWG22#¶ÆÎýÌú·úÁú
µ¼Ïß³¤¶È±ê×¼³¤¶È300mm£¨¿É¾ÝÒªÇóµ÷Õû£©
¾øÔµÇ¿¶È500VAC@50Hz£¬60s
¶¯Ì¬µç×è±ä»¯Öµ<0.01¦¸


MUSB2122-2ͨµÀUSB»¬»·ÏµÁÐÑ¡Ðͱí
ÐͺÅUSBͨµÀ10A20AÐźŻò5A³¤¶È L£¨mm)
MUSB2122-S02 2 0 0 2 54.8
MUSB2122-P0210 2 2 0 0 54.8
MUSB2122-P0220 2 0 2 0 71.6
MUSB2122-S08 2 0 0 8 71.6
MUSB2122-P0210-S06 2 2 0 6 71.6
MUSB2122-P0610-S02 2 6 0 2 71.6
MUSB2122-S14 2 0 0 14 88.4
MUSB2122-P1410 2 14 0 0 88.4
MUSB2122-P0610-S08 2 6 0 8 88.4
MUSB2122-P1010-S04 2 10 0 4 88.4
MUSB2122-S20 2 0 0 20 105.2
MUSB2122-S26(2A) 2 0 0 26 125
MUSB2122-S32(2A) 2 0 0 32 141.8

1) N¸ö10A µçÁ÷»·²¢ÆðÀ´¿É×÷Ϊ1·N*10AµçÁ÷»·Ê¹Óã»±ÈÈç: 2»·10A ²¢ÆðÀ´×ö×÷Ϊ 1·20A ʹÓá£
2£©10A£¬20A£¬5A¿É¸ù¾Ý×Ô¼ºµÄÐèÒªÈκÎ×éºÏ£¬ÇëÁªÏµ¿Í·þ°ïÖúÑ¡ÐÍ¡£

±ê׼ͼֽ

ͬϵÁиü¶à²úÆ·²Î¿¼£º
»ñÈ¡²úÆ·3Dͼֽ
X

¾­¹ý¶àÄêµÄ¾­Ñé»ýÀÛ£¬Ä¬æÚÁúÓµÓÐ20Íò¶à¸ö²úÆ·3DͼµµÊý¾Ý¿â£¬
ÓÉÓÚ»¥ÁªÍøµÄ¿ª·ÅÐÔºÍͬÐоºÕù£¬ÐèÒª²úÆ·3DͼµµµÄ¿Í»§ÇëÁôϵç×ÓÓÊÏä»òÕßQQ¡£

ÉóºËÍêÁªÏµ·½Ê½ºó£¬ÎÒÃǵÄϵͳ½«ÔÚ5·ÖÖÓÄÚ°Ñ3D×Ô¶¯·¢¶¯µ½ÄúµÄµç×ÓÓÊÏ䣡