快餐qq联系方式免费同城空降服务,2025上海水磨桑拿会所,全国同城空降服务 ,深圳品茶工作室预约个人接单上门服务

±ê×¼²úÆ··ÖÀà

MW4032ϵÁÐ ´óµçÁ÷¹¦ÂÊ»¬»·
MW4032ϵÁÐ ´óµçÁ÷¹¦ÂÊ»¬»·(²åƬʽ»¬»·)
  • ¡¤ MW4032ÊÇ²åÆ¬Ê½ÎÞË®Òø´óµçÁ÷»¬»·£¬³ý¾ß±¸³£¹æ»¬»·Ìصã,ÍêÈ«Âú×ãÅ·ÃË»·±£ÒªÇó¡£
  • ¡¤ ²ÉÓñê×¼µÄ±âƽ½ÓÍ··½±ãÁ¬½Ó
  • ¡¤ µ¼µç»·²ÉÓùó½ðÊô¶Æ·ó´¦Àí£¬µçË¢²ÉÓùó½ðÊôºÏ½ðË¿
  • ¡¤ Á¦¾ØÐ¡£¬ÔËתÎȶ¨£¬ÊÙÃü³¤,µç×貨¶¯Ð¡,½Ó´¥µç×èС,±£Ö¤Îȶ¨µÄ´«ÊäÐÔÄÜ¡£
  • ¡¤ ¿ÉÌæ´ú´«Í³Ê½µÄË®Òø»¬»·(A4H)£»Îª¹¤ÒµÖÆÔìÒµÉè¼ÆµÄÎÞË®Òø»¬»·¡£

µäÐÍÓ¦Óãº

СÐÍ·çÁ¦·¢µç»ú¡¢µç¶ÆÐÐÒµÉ豸¡¢¼ÓÈȹö¶¯µÈÐèÒª´ó¹¦ÂÊ£¬´óµçÁ÷µÄÓ¦ÓÃÉ豸£¬ÁíÍ⻹ÓÐÆäËû¹¤Òµ¿ØÖÆÁìÓòÒ²´óÁ¿Óõ½£¬Èç¼õÕðÆ÷´óµçÁ÷»¬»·£¬ÎÛË®´¦ÀíÉ豸»¬»·£¬¸ßÇ¿¶ÈʯÓͲ⾮ÒÇÆ÷µ¼µç»¬»·£¬»úÆ÷È˺¸½ÓÉ豸»¬»·£¬´óµçÁ÷µ¼µç»¬»·£¬Çå²Ö»úÓ÷۳¾·À±¬»¬»·£¬¸ßε绬»·£¬¼ÓÈÈתÖỬ»· yoºæ¸É»ú£¬³´ÁÏ»ú£¬¼ÓÈȽÁ°è»ú廬»·µÈµÈ£»

ÐͺŶ©¹ºËµÃ÷£º


¼¼Êõ¹æ¸ñ²ÎÊý
»úе¼¼ÊõÖ¸±êµçÆø¼¼ÊõÖ¸±ê
²ÎÊýÊýÖµ²ÎÊýÊýÖµ
¹¤×÷ÊÙÃü2000Íòת¹¦ÂÊÐźÅ
¶î¶¨×ªËÙ250RPM¶î¶¨µçѹ0~440VAC/VDC0~440VAC/VDC
¹¤×÷ζÈ-30¡æ~80¡æ¾øÔµµç×è¡Ý1000M¦¸/500VDC¡Ý1000M¦¸/500VDC
¹¤×÷ʪ¶È0~85% RHµ¼Ïß¹æ¸ñ³ö²åƬ³ö²åƬ
½Ó´¥²ÄÁϽð-½ðµ¼Ïß³¤¶È±ê×¼³¤¶È300mm£¨¿É¾ÝÒªÇóµ÷Õû£©
¿ÇÌå²ÄÁÏÂÁºÏ½ð¾øÔµÇ¿¶È500VAC@50Hz£¬60s
ת¶¯Å¤¾Ø0.1N.m£»+0.03N.m/1·¶¯Ì¬µç×è±ä»¯Öµ<0.01¦¸
·À»¤µÈ¼¶IP51



MW4032 »¬»·£¨²åƬʽ£©ÏµÁÐÑ¡Ðͱí
ÐͺÅ30AÐźŻò8A³¤¶ÈL£¨mm£©±¸×¢
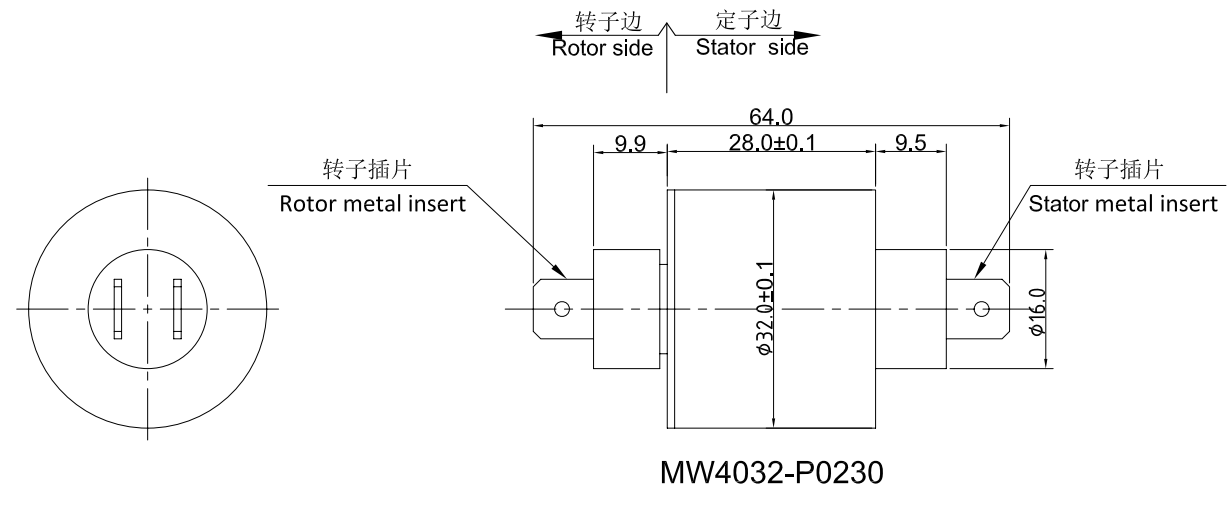
MW4032-P02302047.4¿ÉÌæ´úA2H,M230
MW4032-P03303047.4¿ÉÌæ´úA3H,M330
MW4032-P0230-P02082247.4¿ÉÌæ´úA4H,M430

×¢£ºN¸ö30A µçÁ÷»·²¢ÆðÀ´¿É×÷Ϊ1·N*30AµçÁ÷»·Ê¹Óã»±ÈÈç: 2»·30A ²¢ÆðÀ´×ö×÷Ϊ 1·60A ʹÓá£

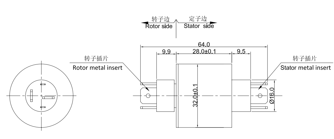
MW4032-P0230 ³ß´çͼ


MW4032-P0330 ³ß´çͼ


MW4032-P0230-P0208 ³ß´çͼ


ͬϵÁиü¶à²úÆ·²Î¿¼£º
»ñÈ¡²úÆ·3Dͼֽ
X

¾­¹ý¶àÄêµÄ¾­Ñé»ýÀÛ£¬Ä¬æÚÁúÓµÓÐ20Íò¶à¸ö²úÆ·3DͼµµÊý¾Ý¿â£¬
ÓÉÓÚ»¥ÁªÍøµÄ¿ª·ÅÐÔºÍͬÐоºÕù£¬ÐèÒª²úÆ·3DͼµµµÄ¿Í»§ÇëÁôϵç×ÓÓÊÏä»òÕßQQ¡£

ÉóºËÍêÁªÏµ·½Ê½ºó£¬ÎÒÃǵÄϵͳ½«ÔÚ5·ÖÖÓÄÚ°Ñ3D×Ô¶¯·¢¶¯µ½ÄúµÄµç×ÓÓÊÏ䣡