MB-¹¤Òµ×ÜÏß»¬»·ÊÇÕë¶Ô¸÷Àà×ÜÏߣ¨°üÀ¨CC-LINK¡¢EtherCAT¡¢EnterBUS,CanBUS¡¢ProfiBUS¡¢ProfiNET¡¢DeviceNet,RS422¡¢RS485¡¢PLC)µÈ¶øÉè¼Æ¿ª·¢µÄÒ»¿î¹¤Òµ×ÜÏßרÓû¬»·£¬²ÉÓÃÌØÊ⹤Òյĸ´ºÏ¶Æ²ã¹¤ÒÕ£¬±£Ö¤½Ó´¥µÄ³¤ÆÚ¿É¿¿ÐÔ£¬±£Ö¤²»¶ª°ü²»±¨¾¯£¬²»ÑÓʱ¡£Ö÷ÒªÓ¦ÓÃÓÚ¹¤Òµ×Ô¶¯»¯¿ØÖÆÖеĸ÷Àà±àÂëÆ÷£¬ËÅ·þµç»úÒÔ¼°¸÷Àà¿ØÖÆÆ÷Ö®¼äµÄ×ÜÏßͨѶ£¬Èçï®µç³ØÉ豸£¬¸÷Àà¸ß¶ËÖÇÄÜ»¯É豸£¬¸÷À༤¹âÀàÉ豸µÈ£»

| ²úÆ·µÈ¼¶±í | |||
| ²úÆ·µÈ¼¶´úºÅ | ×î¸ßתËÙ | ¹¤×÷ÊÙÃü | ½Ó´¥²ÄÁÏ |
| VC£¨Í¨Óü¶£© | 200RPM | 1500Íòת | ¹ó½ðÊô |
| VD£¨¹¤Òµ¼¶£© | 600RPM | 8000Íòת | ¶Æ½ð-¶Æ½ð |
| VH£¨¸ß¶Ë¼¶£© | 1000RPM | 1.5ÒÚת | ½ðºÏ½ð |
| ¼¼Êõ¹æ¸ñ²ÎÊý | ||||
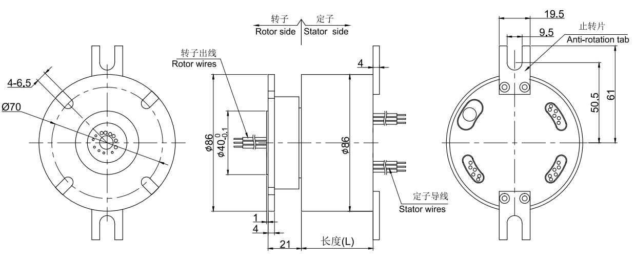
| »úе¼¼ÊõÖ¸±ê | µçÆø¼¼ÊõÖ¸±ê | |||
| ²ÎÊý | ÊýÖµ | ²ÎÊý | ÊýÖµ | |
| ¹¤×÷ÊÙÃü | ²Î¿¼²úÆ·Ñ¡Ð͵ȼ¶ | ¹¦ÂÊ | ÐźŠ| |
| ¶î¶¨×ªËÙ | ²Î¿¼²úÆ·Ñ¡Ð͵ȼ¶ | ¶î¶¨µçѹ | 0~440VAC/VDC | 0~440VAC/VDC |
| ¹¤×÷ÎÂ¶È | -30¡æ~80¡æ | ¾øÔµµç×è | ¡Ý1000M¦¸/500VDC | ¡Ý1000M¦¸/500VDC |
| ¹¤×÷ʪ¶È | 0~85% RH | µ¼Ïß¹æ¸ñ | AWG16#¶ÆÎýÌú·úÁú | AWG22#»òÕß×ÜÏßµçÀ |
| ½Ó´¥²ÄÁÏ | ²Î¿¼²úÆ·Ñ¡Ð͵ȼ¶ | µ¼Ïß³¤¶È | ±ê×¼³¤¶È300mm£¨¿É¾ÝÒªÇóµ÷Õû£© | |
| ¿ÇÌå²ÄÁÏ | ÂÁºÏ½ð | ¾øÔµÇ¿¶È | 500VAC@50Hz£¬60s | |
| ת¶¯Å¤¾Ø | 0.1N.m£»+0.03N.m/6· | ¶¯Ì¬µç×è±ä»¯Öµ | <0.01¦¸ | |
| ·À»¤µÈ¼¶ | IP51 | |||




¾¹ý¶àÄêµÄ¾Ñé»ýÀÛ£¬Ä¬æÚÁúÓµÓÐ20Íò¶à¸ö²úÆ·3DͼµµÊý¾Ý¿â£¬
ÓÉÓÚ»¥ÁªÍøµÄ¿ª·ÅÐÔºÍͬÐоºÕù£¬ÐèÒª²úÆ·3DͼµµµÄ¿Í»§ÇëÁôϵç×ÓÓÊÏä»òÕßQQ¡£
ÉóºËÍêÁªÏµ·½Ê½ºó£¬ÎÒÃǵÄϵͳ½«ÔÚ5·ÖÖÓÄÚ°Ñ3D×Ô¶¯·¢¶¯µ½ÄúµÄµç×ÓÓÊÏ䣡
¹ØÓÚÎÒÃÇ
²úÆ·ÖÐÐÄ
Ò»¼ü²¦ºÅ
ÁªÏµ·½Ê½